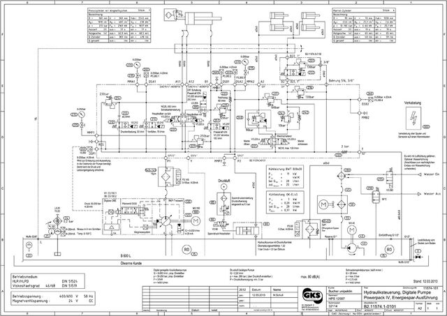
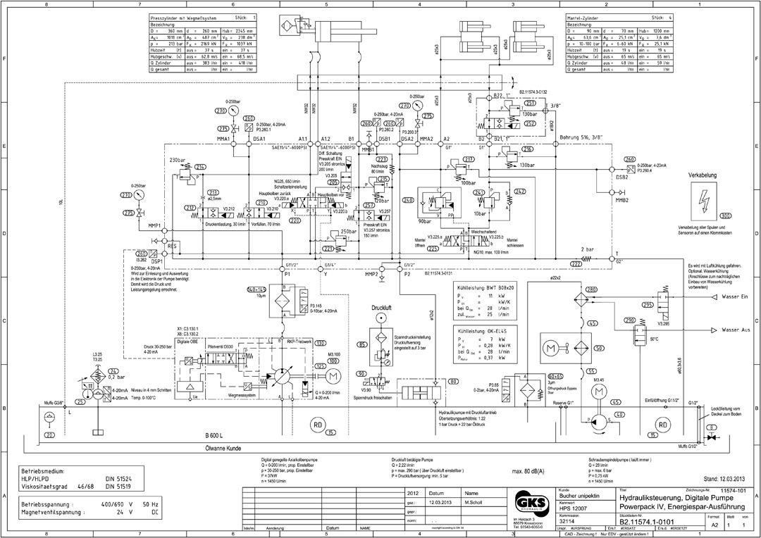
Unsere langjährige Erfahrung in der 3D-Konstruktion von Hydrauliksystemen bietet uns die Möglichkeit Ihre individuellen Hydraulikkonstruktionen und Hydraulikaggregate bestmöglich umzusetzen.
Dass Sie in einem Projekt mit GKS-Hydraulik von einem Mitglied der Geschäftsführung beraten werden, ist kein Zufall – sondern Teil unserer Philosophie. Unsere flachen Hierarchien sorgen dafür, dass alle Informationen schnellstmöglich zu den zuständigen Mitarbeitern gelangen – ohne Informationsverluste.
Unser Erfolg im Bereich der Hydraulikkonstruktion basiert auf
- langjähriger Erfahrung
- hochqualifizierten Mitarbeitern
- stetigem Innovationsdrang
- früher Erkennung neuer Technologien und deren Umsetzung in praxisbezogene Faktoren

Zu GKS Marine
